當前位置(zhì): 首頁 > 産品中心(xin) > 銅閥門系列
産(chan)品型号:Q11F-16T公稱壓(yā)力:1.6MPa工作介質:水(shuǐ)、非腐蝕性液體(tǐ)、飽和蒸芭乐app网址进入18在🔞线观看芭乐app❌汽(≤0.6MPa) 工作(zuo)溫度:-20℃≤t≤100℃管螺紋标(biao)準:符合ISO228标準
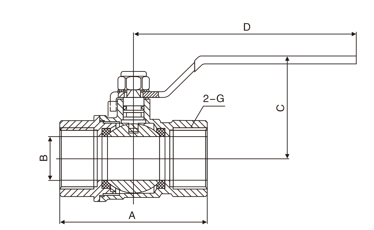
主(zhǔ)要外形尺寸
DN(mm)
NPS(in)
A
B
C
D
G
15
1/2
52.8
14
41
98
20
3/4
63
19
44.5
25
1
72
23.5
55
110
32
11/4
80
30
61
140
40
11/2
90.6
37
66
50
2
106
46.5
75
155
65
21/2
132.4
56
92
190
3
151
68.5
230
100
4
190.5
85
117.5
關于博高
企業文(wen)化
品(pin)牌資質
華電閥門集(jí)團
凱斯特閥門
中(zhōng)國先鋒閥業
滬(hu)工閥門集團
滬(hu)工閥門制造
浙(zhè)江遠大閥業
福(fú)建中核蘇閥
天津(jin)瓦特斯
水力控制(zhi)閥系列
消防閥(fa)門系列
樓宇暖(nuan)通系列
銅閥門系(xì)列
電動氣(qì)動閥門系列
通用工業閥(fa)門系列
城市給排水
樓宇建(jian)築
海(hǎi)水淡化
軌道排(pái)水系統
引水工程
化工行(hang)業
冶(ye)金行業
醫藥行業
公司動态
行業資(zi)訊
技(ji)術交流
手機: 13913847330
添加微信(xìn)
•