産品(pin)詳情
産品概述(shù)
消防對夾蝶閥(fa)是引進國外先(xian)進技術而自行(háng)開發🏃♂️的🈚中線型(xing)蝶閥,它具有結(jié)構簡單,密封可(kě)靠,開啓輕便、壽(shou)命長、維護方便(bian)🈲等優點。故被廣(guang)泛地應用于給(gei)排水、建築消防(fang)等系統各種管(guǎn)道上,尤其在消(xiao)防管路中。本信(xin)号閥可明白無(wú)誤的顯示出閥(fa)門開關狀🌈态,具(jù)有直觀、清晰、可(kě)靠的反映出消(xiāo)防系統中的工(gōng)作狀态,所以♋廣(guǎng)泛、大量的适用(yòng)于消防系統中(zhong)。
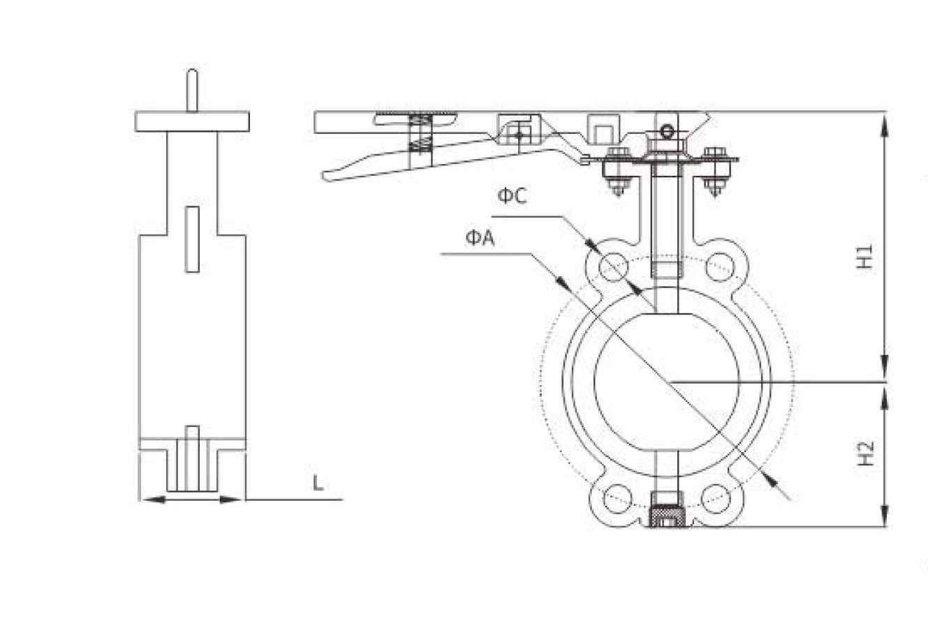
主要(yao)外形連接尺寸(cùn)
|
型号Model |
DN |
ΦA-ΦC |
L |
H1 |
H2 |
|
ZSDF 7-Q-50-D71X |
50 |
110-16 125-16 |
42 |
163 |
70 |
|
ZSDF 7-Q-65-D71X |
65 |
145-18 |
44 |
168 |
75 |
|
ZSDF 7-Q-80-D71X |
80 |
160-18 |
46 |
177 |
90 |
|
ZSDF 7-Q-100-D71X |
100 |
180-20 |
52 |
192 |
105 |
|
ZSDF 7-Q-125-D71X |
125 |
210-24 |
51 |
205 |
115 |
|
ZSDF 7-Q-150-D71X |
150 |
240-25 |
55 |
219 |
131 |
産品推薦(jian)
Copyright © 2022-2023 南京博高(gao)閥門有限公司(sī) 版權所有 京ICP證(zhèng)000000号
蘇公網安備(bei) 32010202011315号
蘇公網安備(bei) 32010202011315号
網站建設: 豐(fēng)盛科技